Predám prepínač napájania AC1-AC2 Auto IVT US-12N
- [17.11. 2025]Zmazať/ Upraviť/ Topovať






Predám prepínaciu stanicu na automatické prepínanie AC230V-50Hz pre dva vstupy, t.j. zdroje elektrickej energie AC1/AC2 na jeden výstup k spotrebičom ACout od výrobcu IVT model US-12N. Určenie: pre ostrovné solárne FV systémy a aplikácie U=230V/12A/2760VA
PARAMETRE: Imax12A/Pmax2760VA, Použitie: Prepínanie hlavného a záložného zdroja AC elektrickej energie v rodinných chatách a domoch, karavánoch a pod., Prepnutie 2xIN/OUT: Spôsob prepínania: Autodetekcia, Doba reakcie: 1-2 s, Stupeň krytia: IP55, Rozmery: 13x13x6cm, Ochrana: Poistka 15A/250V obvodu záťaže v skrate, Farba: Biela
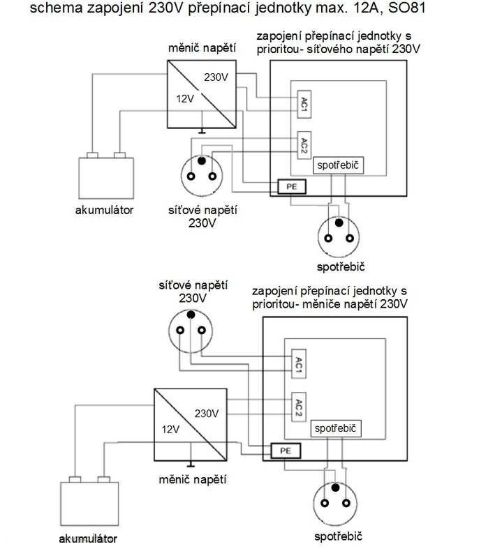
Prepínacia stanica slúži na automatické prepínanie 2 vstupov AC-230V/50Hz pre napájanie spotrebičov AC, prístroj automaticky zvolí prioritné napájanie z meniča alebo zo sieťového napätia. Pri pripojení sieťového napätia napr. v kempe alebo z elektrocentrály sa automaticky odpojí vstup z meniča a jednotka začne napájať výstup (spotrebič) z pripojenej siete, po odpojení z elektrickej siete sa zase jednotka prepne na napájanie z meniča. Prepínacia jednotka dovoľuje aj opačné zapojenie, kedy je prioritné napájanie z meniča. Jednotka je určená pre záťaž (spotrebič) až do 2700W. Prepínanie vstupov ovláda mikropočítač a o spínanie sa starajú výkonové relé. Jednotka má zabudovanú ochranu proti preťaženiu. Prepínacia jednotka je určená pre montáž pod omietku alebo na povrch. Pripojenie vodičov je možné na svorkovnici vo vnútri prístroja.
Možnosti použitia AC-230V/50Hz prepínacej stanice :
Prepínanie napätia v solárnych FV systémoch
Prepínanie napätia v Off - grid ostrovných systémoch
Prepínanie zdrojov energie u hybridnej veternej a solárnej elektrárne
V kempingu, karavanoch, obytných autách, lodiach a pod.
Technické parametre:
Napájanie: 230V AC 50Hz
Maximálna záťaž: 2760VA (12A)
Maximálny výkon: 2760VA
Prioritné napájanie: z elektrickej siete DDS / z meniča DC/AC
Ochrana: proti preťaženiu
Pripojenia: svorkovnice (vnútri pristroja)
Vstupy, výstupy: priechodky PG-12
Montáž: na stenu
Celková hmotnosť: 350 gramov
Rozmery: 124 x 124 x 60 mm
Pracovná teplota: 20 ° až 70 ° C
Pracovná vlhkosť: 0% až 90% RH (nekondenzačný)
Skladovacia teplota: 0 ° až 45 ° C
Stupeň ochrany: IP55
PARAMETRE: Imax12A/Pmax2760VA, Použitie: Prepínanie hlavného a záložného zdroja AC elektrickej energie v rodinných chatách a domoch, karavánoch a pod., Prepnutie 2xIN/OUT: Spôsob prepínania: Autodetekcia, Doba reakcie: 1-2 s, Stupeň krytia: IP55, Rozmery: 13x13x6cm, Ochrana: Poistka 15A/250V obvodu záťaže v skrate, Farba: Biela
Prepínacia stanica slúži na automatické prepínanie 2 vstupov AC-230V/50Hz pre napájanie spotrebičov AC, prístroj automaticky zvolí prioritné napájanie z meniča alebo zo sieťového napätia. Pri pripojení sieťového napätia napr. v kempe alebo z elektrocentrály sa automaticky odpojí vstup z meniča a jednotka začne napájať výstup (spotrebič) z pripojenej siete, po odpojení z elektrickej siete sa zase jednotka prepne na napájanie z meniča. Prepínacia jednotka dovoľuje aj opačné zapojenie, kedy je prioritné napájanie z meniča. Jednotka je určená pre záťaž (spotrebič) až do 2700W. Prepínanie vstupov ovláda mikropočítač a o spínanie sa starajú výkonové relé. Jednotka má zabudovanú ochranu proti preťaženiu. Prepínacia jednotka je určená pre montáž pod omietku alebo na povrch. Pripojenie vodičov je možné na svorkovnici vo vnútri prístroja.
Možnosti použitia AC-230V/50Hz prepínacej stanice :
Prepínanie napätia v solárnych FV systémoch
Prepínanie napätia v Off - grid ostrovných systémoch
Prepínanie zdrojov energie u hybridnej veternej a solárnej elektrárne
V kempingu, karavanoch, obytných autách, lodiach a pod.
Technické parametre:
Napájanie: 230V AC 50Hz
Maximálna záťaž: 2760VA (12A)
Maximálny výkon: 2760VA
Prioritné napájanie: z elektrickej siete DDS / z meniča DC/AC
Ochrana: proti preťaženiu
Pripojenia: svorkovnice (vnútri pristroja)
Vstupy, výstupy: priechodky PG-12
Montáž: na stenu
Celková hmotnosť: 350 gramov
Rozmery: 124 x 124 x 60 mm
Pracovná teplota: 20 ° až 70 ° C
Pracovná vlhkosť: 0% až 90% RH (nekondenzačný)
Skladovacia teplota: 0 ° až 45 ° C
Stupeň ochrany: IP55
|
| |||||||||||||||||||||||||||||||
Kontaktovať inzerenta e-mailom
Kontaktovať e-mailom môže iba overený užívateľ.
Overenie je zadarmo.
Vaše telefónne číslo *
Kontaktovať e-mailom môže iba overený užívateľ.
Overenie je zadarmo.
Vaše telefónne číslo *